Habis dapat kiriman dari teman yaitu sepasang KIT mini crescendo lengkap dengan trafonya yang guede, langsung deh tangan jadi gatel pengen buru2 megang solder.
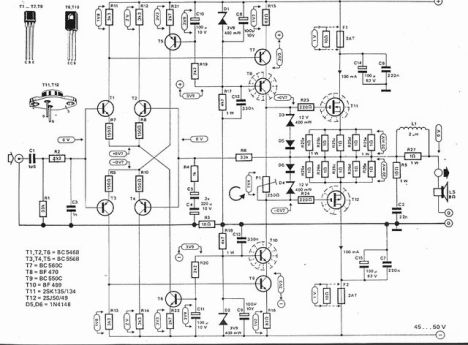
Sebenarnya gak ada yang beda dari versi Mini crescendo nya elektor tahun 80-an, cuma beda dikomponennya saja. Saya pake komponen yang banyak tersedia dipasaran. Hari gini susah juga nyari komponen original cuy!, jadi mesti pinter2 milih dan ngeracik bahan yang ada saja, pastinya mungkin beda cita rasa, tapi yang namanya teknologi seharusnya komponen sekarang lebih bagus dari komponen jadul (Note: asalkan barangnya ori , dan ini tdk berlaku buat vakum tube, nanti si koko juragan tabung marah..hehehe). Kalo gitu yuk simak sedikit komponennya mas bro..
1. Transistor Final Mosfet 2SK135/2SJ50 disubtitusi dengan 2SK1058/2SJ162
Transistor 2sk135 dan 2sj50 sudah tdk diproduksi lagi, kalaupun ada mungkin itu barang NOS, jadi kita pakai 2sk1058 dan 2sj162 aja. Dari sisi spesifikasi teknis tidak jauh berbeda, hanya saja bentuknya bukan kayak jengkol (TO-3) lagi. Sedikit masalah dengan PCB nya yang masih berbentuk jengkol, tapi juga memudahkan dalam pemasangan pendingin.
2. Transistor Driver and Buffer
Untuk komponen driver saya menggunakan BD139 BD140 yang banyak tersedia. Serta transistor Buffer dan signal kecil lainnya tidak ada perubahan sesuai aslinya.
3. Resistor dan Kapasitor
Resistor dan kapasitor gado2 saya pakai diproyek ini, hanya saja untuk bagian tertentu memang saya bedakan komponennya dengan yang bermerk (resistor dale, kapasitor rouh, muse, blackgate, solen dll) yang katanya bagus (meureun >>basa sunda, red). Yang lainnya standar2 aja…pake yang ada.
4. Trafo
Saya belum memutuskan mau pake trafo yang mana, mau pake kiriman teman merk Sevti 5A murni (cukup gede untuk ukuran 5A), atau yang lain yang ada dirumah biar lebih ekonomis dan tepat guna, karena mungkin saya akan setup amplifier ini dikelas AB dgn daya 30-40 Watt saja. Pada akhirnya nanti ini akan diputuskan saat ujicoba dan test akhir. Untuk dioda dan kapasitor bank juga pake yang standar aja, Rubycon 10.000uf x 6 + dioda bridge standar.
5. Casing/ Chassis
Ini nih yang bisa jadi perhatian khalayak ramai, apalagi setelah saya bikin casing buat si spider dari aluminium batangan yang ngasal itu ternyata banyak respon positifnya. Buktinya ada temen booking tuh casing ga pake isi kit spidernya buat proyek dia, aya2 wae. Akhirnya demi persahabatan saya relakan untuk nelanjangin si spider dan melepas casing tsb.
Jadi kali ini gimana dong casingnya??
…..
…..
…..
…..
sabar bos…ane lagi mikir nih.
Aha..cling-cling!! ( abis liat artikel think out of the box nya ala pak Jokowi), akhirnya ane putuskan nempatin ini ampli diluar box…waduh??? kumaha eta….?? hahhaha…
bersambung dulu ah… sambil futu-futuin yang perlu di futu…


