Amplifier komersil yg konon katanya cukup populer di eropa dan negeri paman sam karena suaranya yang “merdu” dan keunikan konfigurasi rangkaiannya. Bisa dibaca-baca referensinya di http://www.mhennessy1.f9.co.uk/mf_a1/index.htm
Kali ini saya coba rakit dengan komponen stock standar yg ada workshop saya. Kebetulan PCB untuk merakit amplifier ini sdh tersedia hasil pemberian teman yang baik hati. PCB berbahan fiber buatan dalam negeri merk HANS, cukup cantik dan halus.
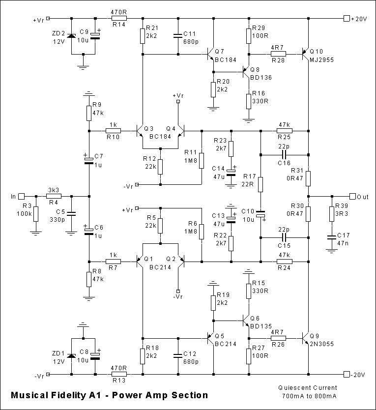
Kalau dari referensinya amplifier ini berada di class A, hanya saja tdk semua level berada dikelas A. Arus panjar sekitar 800mA dan tegangan supply simetrik 25V.
Beberapa modifikasi dilakukan yaitu transistor final 2N3055 dan MJ2955 saat ini menggunakan SANKEN 2sc2922 dan 2SA1216, diharapkan amplifier lebih handal.
Step 1,
Mulungin komponen
Berhubung tdk ada dana khusus untuk project ini namun hasrat untuk megang solder sudah lama dipendam dan tak terbendung lagi, so mulungin komponen pun harus dilakukan.
Step 2
Solder-menyolder
Bukan sesuatu yg spesial tp sesuatu yg mesti dilakukan dengan teliti dan hati2… Awas asap hitam akibat pemanasan timah solder cukup berbahaya bagi kesehatan. Sebuah air purifier sederhana akan cukup membantu.
Jgn lupa wiring sependek mungkin namun tdk mengurangi sisi estetika atau keindahan perkabelan dan penempatan komponen.
Step 3
Test and Review
Jika pekerjaan solder menyolder sdh selesai, langsung saja kita masuk sesi test. Siapkan alat ukur seadanya, sebuah multitester akan sangat membantu(memang ini senjata satu2nya..hehe). Yakinkan tdk ada perkabelan atau komponen yg salah pasang (jangan sampe keluar jin dari amplifier ini/berasap red).
To be continue,,,


mulungin komponen 😀
Gitu deh om kalo niat ada, tapi dana terbatas..hahaha, oh ya proyek ini sebenarnya udh ada udatenya..tapi kesibukan dikantor dan dirumah membuat saya belum sempat foto2 dan update tulisannya.
aku sering mulungin komponen, kepepet juga 😀